





WUK接線端子系列配件

D/UK1.5-2.5G 端子擋板,用于端子組的電器隔離, 適用于WUK1.5N, WUK2.5B  | D/UK4-16G 端子擋板,用于端子組的電器隔離, 適用于WUK3N- WUIK16N  | D/UDK4G 端子擋板,用于端子組的電器隔離, 適用于WUDK4  | D/URTK/SG 端子擋板,用于端子組的電氣隔離, 適用于WURTK/S  | 

FBI 10-5L 固定式中心連接件,用于端子中央,實現端子左右橫向橋接。適用于WUK3N,WUKK3, WUKKB3等厚度是5.2mm的WUK系列端子  | FBI 10-6L 固定式中心連接件,用于端子中央,實現端子左右橫向橋接。適用于WUK2.5B,WUK5N, WUDK4等厚度是6.2mm的WUK系列端子  | FBI 10-8L 固定式中心連接件,用于端子中央,實現端子左右橫向橋接。適用于 WUK6N,等厚度是8.2mm的WUK系列端子  | D/URTK/SG 固定式中心連接件,用于端子中央,實現端子左右橫向橋接。適用于WUK10N,等厚度是10.2mm的WUK系列端子  | 

EB10-8L 邊插式連接件,用于端子的兩側,實現端子左右橫向橋接。適用于WUK6N,WUK5-HESI等厚度是8.2mm的WUK系列端子  | WUBE/D 標記端子,對端子排進行標識,可安裝在U型 C45平導軌或G型高低導軌上,書寫面積:長*寬 40*12,  | WLKM-A 標記夾,用于終端端子排進行標識,要配合固定件使用,和標記端子同樣的功能,高度可調,書寫面積:長*寬 25*6  | WE/UK 固定件,用于對端子排或,繼電氣等低壓元器件進行固定。可安裝在U型C45平導軌或G型高低導軌上,厚度為9.5mm。  | 

TS-KG 隔片用于相鄰橋接件間的電器隔間,可等接線完成后,再插入,不占用導軌的任何空間,適用于WUK3N-WUK35N,WUK5-TWIM等WUK系列端子  | TS-KK3G 隔片用于相鄰橋接件間的電器隔離,可等接線完成后,再插入,不占用導軌的任何空間,適用于WUK3N-WUK35N, WUK5-TWIN等WUK系列端子  | ATP-UKG 分組隔板,用于端子組間視覺及電器隔離,適用于WUK3N,-WUK16N等WUK系列端子  | ATP-URTK/SG 分組隔板,用于端子組間視覺及電氣隔離,適用于WURTK/S端子  | 

FBI 10-12L 固定式中心連接件,實現端子左右橫向橋接。適用于WUK16N,等厚度是12.2mm的WUK系列端子  | FB10-URTK/SL 固定式中心連接件,用于端子中央,實現端子左右橫向橋接。適用于WURTK/S端子  | EB10-5L 邊插式連接件,用于端子的兩側,實現端子左右橫向橋接。適用于WUK3N,WUKK3,WUKKB3等厚度是 5.2mm的WUK系列端子  | EB10-6L 邊插式連接件,用于端子的兩側,實現端子左右橫向橋接。適用于WUK2.5B,WUK5N,WUDK4等厚度是6.2mm的WUK系列端子  | 

UK-B 標記固定端子,可以對端子排進行標識,也可以當固定端子用,可安裝在U型C45平導軌或G型高低導軌上。厚/寬/高(10*42*41mm) 書寫面積:長*寬 41*7.  | WUDK4-B 標記固定端子,可以對端子排進行標識,也可以當固定端子用,可安裝在U型C45平導軌或G型高低導軌上。厚/寬/高(12.5*53.8*38.5mm)書寫面積:長*寬 52*10  | ZB(5.6.8.10.) 標記條能快速的安裝在WUK端子左右兩側的卡槽內,形成標識系統,訂貨是注明是橫向書寫和豎向書寫著兩個類型,寬度為5.6.8.10mm個相應厚度的端子配套  | ZB(5.6.8.10.)OR 標記條能快速的安裝在WUK端子左右兩側的卡槽內,形成標識系統,訂貨時注明是橫向書寫和豎向書寫著兩個類型,寬度為5.6.8.10mm和相應厚度的端子配套。用橙色標記條有兩個優點,1能更明顯的區別端子類別 2能降低庫存壓力。  | 

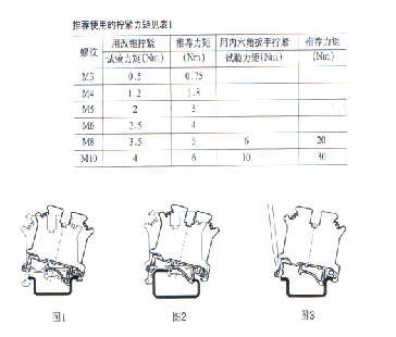
接線系統的功能是對導線進行機械和電氣的可靠連接,三門灣電器的壓線框能夠有效的實現此功能。一般電氣連接的導線選用銅質材料,為避免因材料熱膨脹系數的差異而產生不同程度的熱膨脹,避免端子中產生的機械應力及連接松動,為此我公司接線端子的金屬連接部分均采用銅質材料。正確的選材能確保產品保持有效的氣密度,低阻值,永久性連接。螺絲采用銅合金或鋼制成,導電體采用電解銅制成,壓線框采用抗應力裂縫的銅合金制成,這些金屬元器件的表面均采用鍍錫或鍍鎳加以保護,具有很強的內腐蝕能力。框壓式結構能確保及細的導線也能可靠連接。框壓式結構能具有自鎖功能,避免檢查和維修,減輕工作壓力。導電體上設計有橫紋,和導線連接時能夠增強摩擦力,具有抗拉扯能力,防止導線脫落。

自鎖功能原理
在額定截面為1.5-10mm2的的WUK系列接線端子中,壓線框均采用框壓式升降系統結構,通過升降壓線框上的Reakdyn-縫隙實現螺絲的自鎖,當螺絲擰緊,壓線框發生彈性變形,由此實現的自動步進自鎖可使得螺紋摩擦力逐步增大;螺絲頂在導電體上可使壓線框向上運動,從而使壓線框中的導線貼緊導電體并最終被夾緊,由于端子具有很高的接觸力,可使導線嵌入導電體表面的鍍層里。
產品概述
WUK系列接線端子的絕緣材料用改性的尼龍(PA66),能達到或超過IEC947-7-1及EN60947-7-1標準,具有良好的電氣性能和機械性能。螺絲用高強度的銅合金制成,導電體用電解銅制成,壓線框用抗應力裂縫腐蝕的合金銅制成,這些金屬表面還鍍錫或鍍鎳加以保護。設計完全符合IEC60947-7-1.GB14048.7等標準。全銅接線端子可避免鋼制金屬件和銅導線在潮濕的環境下的電池效應。端子中間有連接孔,可中心連接也可用邊插式連接件連接。可接1mm2-240mm2導線;WUK系列產品能在TH35-7.5或G32-18的導軌上任意安裝,通用性及高,全系列產品,包括普通端子,大電流端子,一進雙出端子,雙進雙出端子,雙層端子,三層端子,保險端子,試驗端子,刀閘端子,接地端子等各個性能,能滿足不同場合的接線需求。








應用案例:
光伏電站 華電內蒙古烏拉察布四子王旗50MWp光伏發電項目工程 青海烏蘭并網光伏電站50MWp項目 江蘇華電興化沙溝80MWp光伏發電項目 華陽能電興化太發電有限公司80MWp光伏發電項目 航天嘉峪關100MWp光伏項目 華電內蒙古能源有限公司四子王旗50MWp項目 中廣核太陽能金昌50MWp并網關伏發電工程項目 華電嘉峪關西戈壁灘五期60MWp并網關伏項目 三峽新能源永昌縣和清灘二期50MWp并網光伏項目 新疆華電石城子三期20MWp光伏并網關發電項目 
 
 風力發電 吉木乃縣海為支油風電場一期49.5MWp項目 銀河風電2.5MWp風電項目 石柱七曜山(亦名齊躍山、七岳山)風電項目 桂林金紫山二期風電項目 興安盟科右前期公主嶺一期49.5MWp風電項目 大唐永嘉縣大坪49.5MWp風電項目 大唐洱源縣恩兆山49.5MWp風電項目 大唐墨江縣聯珠49.5MWp風電項目 中廣核華寧魔豆山49.5MWp風電項目 
 
 
 智能電站 安徽滁州500KV釜山智能站 魏橋鋁電220KV鄒平中心站 烏魯木齊頭屯河220千伏輸變電工程智能變電站 青島220千伏平度站智能化改造工程(智能站) 南譙220KV智能保護設備工程(智能站) 濟南繡惠220千伏輸變電工程 煙臺220KV招遠變電工程(智能站) 宜昌220KV宜都輸變電工程智能變電站 魏橋鋁電220KV鄒平中心站 濟南商河曹家110千伏變電工程 貴州華錦鋁業有限公司  | 水利電站 四川平武縣泗洱河一.三級水電站 陜西蒲城電廠 南海發電有限公司 江蘇新海電廠 貴州華電桐梓發電公司二期 湖北華電襄陽發電有限公司 貴州東風發電廠 新疆達克曲克 梅山水電站 四川木里河立洲水電站 越南DONG NAI 5水電站 緬甸苗基水電站 黔中水利 塔勒德薩依水電站 老撾南椰2水電站 老撾南衫水電站 四川卡基娃 湖北青龍水電站 浙江麻陽電站 
 
 水泥項目 哈薩克斯坦Shymkent 3200t/d熟料生產線項目 印度尼西亞泛亞集團5000t/d水泥熟料生產線總包工程 埃塞俄比亞MCE水泥廠油改煤技改項目OCS 建德三獅松濤水泥有限公司年產100萬噸水泥粉墨生產線二期工程 材漢江水泥股份有限公司2500t/d生產線 金馀水泥有限公司年產100萬噸高標號水泥生產線 蕪湖海螺兩條日產12000噸水泥熟料生產線黃石四棵水泥廠4000T/D水泥熟料生產線 
 
 鐵路項目 京津城際高鐵線 京滬高鐵線 滬寧高鐵 滬杭高鐵 寧杭高鐵 武廣高鐵 
 地鐵項目 南京地鐵1號線 南京地鐵2號線 南京地鐵3號線 南京地鐵10號線 南京地鐵11號線 南京地鐵機場線 蘇州地鐵1號線 地鐵2號線  | 
WUK接線端子系列
- 普通接線端子系列WUK
 - 三層傳感器端子WDIK
 - 試險接線端子WURTK/S
 - 刀閘接線端子WUK5-TWIN
 - 旋帽式保險端子WUK10-DREHSI
 - 刀閘型保險端子WUK5-HESI
 - 過電壓保護端子WUK5-DT
 - 雙層接地端子系列WUKK-PE
 - 雙層接線端子系列WUKK
 - 雙進雙出接地端子WUDK-PE
 - 雙進雙出接線端子WUDK4
 - 一進雙出接地WUK5-TWIN
 - 一進雙出端子WUK5-TWIN
 - 大電流端子系列WUKH
 - 接地端子系列WUSLKG
 - 小型雙層端子MBKKB2.5
 
保護壓板切換片
繼保裝置電流端子
小母線接線端子
JHY1接線端子系列
PCB接線端子系列
光耦合器接線端子
屏蔽接線接線端子
電能表接線盒系列
大電流試驗盒系列
控制柜附件系列
電力連接器系列
導軌TH35-7.5系列
傳真:微信號:zm4806579 QQ:7117060
郵箱: zhangming@njsmwdq.com
地址:南京市浦口區高新技術開發區龍泰路8號龍威產業園3棟2樓
                        
                        






            




