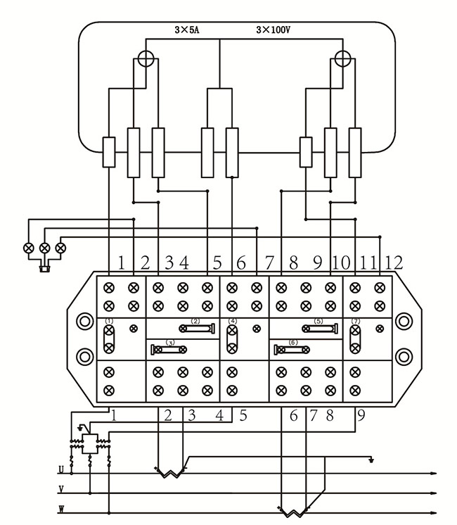
電度表接線盒WFJ6/NJ2080-4(WFJ6/NJ2080-3)-三相四線(三相三線)表度表接線盒,是從老膠木產品更新換代的新產品;絕緣材料采用進口的高分子聚碳酸脂加工而成,具有良好的電氣性能和機械性能,(解決了老膠木產品脆,易碎,安裝時間長吸水后起霉斑等缺點)。金屬件采用銅合金,引進進口自動化設備加工制成,金屬表面還鍍鎳加以保護,具有安全可靠美觀大氣的優點,可接4MM線,電流20A, 電壓為660V,可在-40℃至+60℃范圍內正常工作,其電壓回路采用一進三出,各相電壓.電流具有相序表識,即方便接線,又避免了因相序接錯而造成的計量錯誤,接線盒的透明蓋用兩只可封印的螺絲加以固定,解決了防竊電工作。在二次回路中,作為帶負何情況下安全調換或現場檢驗電度表,電氣儀表,繼電保護屏等電氣設備的接線,確保了工作人員的人身安全,提高了現場的工作效率。
產品用途:
采用該接線盒后,可將進戶線與進表線分開,解決了以往進戶線并接的問題,相線接線盒蓋板還可以鉛封,以防竊電;零線接線盒可重復接地,符合電能計量規范中“專用、封閉”的原則。為配合電力系統采用標準接線及實施《電能計量裝置檢驗規程》創造了有利的條件,產品主要應用于計量臬。電表箱、JP柜、電度表屏,等柜體
注間事項:
更換表能表時要做好安全措施,以免造成電壓互感器二次短路或接地、電流互感器二次回路開路。
進行電能表現場校驗時,要確定檢驗儀的電流測量回路正確接到接線盒后,才能打開接線盒上的電流回路連接片,以免造成電流回路開路。
工作完成后應清理、打掃現場,并應再復查一遍所有接線,確保無誤后再送電。
接線盒安裝完成后再正確封印。




電度表接線盒是電能計量裝置標準接線中的專用接線盒,起接線和安全保護用. 通過透明的防塵蓋可直接觀察到內部各元件及端子狀態,導電體和接線螺釘均選用H62銅,表面鍍鎳。電路聯接可靠;絕緣盒材料為聚碳酸脂,耐熱性和耐沖擊性能良好,電氣間隙和爬電距離均高于國家標準。
中文名
電度表接線盒
額定電壓
660V
額定電流
20A
額定功率
50HZ/60HZ
絕緣電阻
30M∏
環境溫度
-40℃/+100℃
工頻耐壓
3000V/min
適用范圍
電度表接線盒用于額定電壓:380V,頻率50HZ(60HZ)一相四線(二線)制的電網系統中與互感器和電度表相匹配,連接截面積為0.5-4mm2的圓銅導線用的接線盒.
作用
1、外形美觀、使用方便可靠;
2、接線盒聯接中增加熔芯卡,可根據用戶
要求安放熔斷體,如表相出現短路故障,熔
斷體會自動斷開,起到線路保護作用;
特性
電度表接線盒除N線帶熔斷器系列,A相、B相、C相均采用聯接片聯接,一般用在額定電壓3×380V(一般二線或四線)有功電度表上。
電度表接線盒A、B、C相線及中性線N均帶保護,一般用在額定電壓3×100/57.7
工作原理
金屬件采用銅合金,引進進口自動化設備加工制成,金屬表面還鍍鎳加以保護,具有安全可靠美觀大氣的優點,可接4MM線,電流20A, 電壓為660V,可在-40℃至+60℃范圍內正常工作,其電壓回路采用一進三出,各相電壓.電流具有相序表識,即方便接線,又避免了因相序接錯而造成的計量錯誤,接線盒的透明蓋用兩只可封印的螺絲加以固定,解決了防竊電工作。在二次回路中,作為帶負何情況下安全調換或現場檢驗電度表,電氣儀表,繼電保護屏等電氣設備的接線,確保了工作人員的人身安全,提高了現場的工作效率。
WUK接線端子系列
- 普通接線端子系列WUK
- 三層傳感器端子WDIK
- 試險接線端子WURTK/S
- 刀閘接線端子WUK5-TWIN
- 旋帽式保險端子WUK10-DREHSI
- 刀閘型保險端子WUK5-HESI
- 過電壓保護端子WUK5-DT
- 雙層接地端子系列WUKK-PE
- 雙層接線端子系列WUKK
- 雙進雙出接地端子WUDK-PE
- 雙進雙出接線端子WUDK4
- 一進雙出接地WUK5-TWIN
- 一進雙出端子WUK5-TWIN
- 大電流端子系列WUKH
- 接地端子系列WUSLKG
- 小型雙層端子MBKKB2.5
保護壓板切換片
繼保裝置電流端子
小母線接線端子
JHY1接線端子系列
PCB接線端子系列
光耦合器接線端子
屏蔽接線接線端子
電能表接線盒系列
大電流試驗盒系列
控制柜附件系列
電力連接器系列
導軌TH35-7.5系列
傳真:微信號:zm4806579 QQ:7117060
郵箱: zhangming@njsmwdq.com
地址:南京市浦口區高新技術開發區龍泰路8號龍威產業園3棟2樓












